SURFACE FLAT ROUND

SF FLAT RD 330 P 19W ML 83040

GTIN: 4099854292378 Vouwdoos / 1 Alle pakketten weergeven
5 jaar garantie

PRODUCTGEGEVENS

Productvoordelen
  • Gemakkelijke upgrademogelijkheden van lichtbron, driver en sensor (EVERLOOP-ontwerp)
  • Zeer veelzijdig dankzij selecteerbare CCT en vermogensstappen (Multi Color / Multi Lumen) op de driver
  • Armatuur voor binnenverlichting met hoge lichtopbrengst tot 140 lm/W
  • Hoge kleurconsistentie met SDCM 3
  • Zonder gereedschap elektrische aansluiting door drukknopconnector
  • Zeer homogeen licht met een licht tegenlichteffect
  • Uitgebreide diensten zoals energiemonitoring en onderhoud op afstand mogelijk met DALI versies
  • 5 jaar garantie
Toepassingsgebieden
  • Directe vervanging voor opbouwarmaturen met geïntegreerde CFLni-lampen
  • Gangen
  • Trappenhuizen
  • Badkamers
  • Foyers
Productkenmerken
  • Type bescherming: IP54 (muur en plafond)
  • Slagvastheid: IK08
  • Levensduur (L80/B10): 100.000 uur (bij 25°C), (L90/B10): 50.000 uur (bij 25°C)
  • Behuizing van polycarbonaat (PC), PC-diffusor
  • Omgevingstemperatuur in werking: -20…+ 45 °C
  • Gloeidraadtest volgens IEC 60695-2-12: 850° C
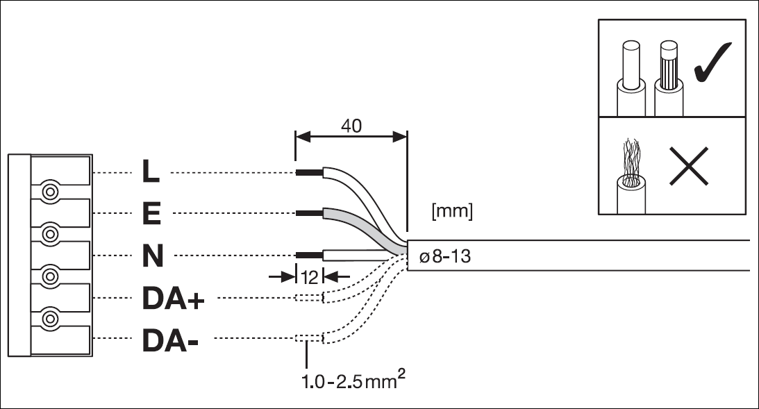
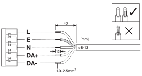
  • 5-polig klemmenblok, kabeldoorsnede tot 5x2,5 mm²
  • Doorvoerbedrading mogelijk
  • Alleen voor gebruik binnenshuis, niet geschikt voor gebruik buitenshuis
  • Sensorversie met hoogfrequente sensor, gang- en groeperingsfunctie
Technische uitrusting
  • EVERLOOP armatuur: upgrades en vervangingen beschikbaar
  • Decoratief zilveren frame apart verkrijgbaar
Referenties / Links
ELEKTRISCHE GEGEVENS
Nominale vermogen 19 W / 12 W 1)
Nominale spanning 220…240 V
Netfrequentie 50/60 Hz
Nominale stroom 85,000 mA
Inschakelstroom 13 A
Inschakelstroomtijd Th50 112 µs
Max. armaturen op stroomonderbreke B16 A 57
Max. aantal armaturen per leidingbeveiligingsschakelaar C10 46
Max. aantal armaturen per leidingbeveiligingsschakelaar C16 73
Arbeidsfactor λ > 0,90
Totale harmonische vervorming < 20 %
Veiligheidsklasse II
Bedrijfsmodus Integrated LED driver
1) Zie de afbeelding van de lumen/vermogen tabel voor mogelijke opties
Fotometrische gegevens
Lichtstroom 2660 lm / 1660 lm 1)
Lichtstroom efficiëntie 140 lm/W / 138 lm/W 1)
Kleurtemperatuur 3000 K / 4000 K
Lichtkleur Warm White, Koel wit
Kleurweergave-index Ra > 80
Standaardafwijking van kleurproeven 3 sdcm
Flikkervrij Ja
Flikkerwaarde Pst LM <1
Stroboscoopeffect waarde SVM <0.4
Fotobiologische veiligheidsgroep EN62778 RG0
Stralingshoek 120 °
1) Zie de afbeelding van de lumen/vermogen tabel voor mogelijke opties
AFMETINGEN & GEWICHT
Diameter 330,00 mm
Hoogte 65,00 mm
Product gewicht 1369,00 g
MATERIALEN & KLEUREN
Kleur van het product Wit
Kleur behuizing Wit
RAL nummer [PIM] RAL 9003
Body materiaal Polycarbonate (PC)
Materiaal afdekking Polycarbonate (PC)
Materiaal van lichtuitstralend oppervlak Polycarbonaat (pc)
Glow Wire Test volgens IEC 60695-2-12 850 °C
Kwikgehalte 0.0 mg
TOEPASSING & MONTAGE
Omgevingstemperatuur bereik -20…+45 °C
Opslagtemperatuur -40…+80 °C
Type aansluiting Schroefloze terminal
Type bescherming IP54
Beschermklasse IK ( Schok bestendi [PIM] IK08
Dimbaar Nee
Montagetype Surface
Montagelocatie Plafond, Muur
Toepassingsomgeving Indoor
Met lichtbron Ja
Vervangbare lichtbron Ja
Levensduur
Levensduur L70/B50 @ 25 °C 100000 h 1)
Levensduur L80/B10 @ 25 °C 100000 h 1)
Levensduur L90/B10 @ 25 °C 50000 h
Aantal schakelcycli 100000
1) t[h]: L70 / B50 @ 25 °C (Ta), t[h]: L80 / B10 @ 25 °C (Ta), t[h]: L90 / B10 @ 25 °C (Ta)
VOORSCHAKELAPPARATUUR
Uitgangsstroom: 450 mA
E-VSA - Uitgangsrimpelstroom < 5 %
NOODVERLICHTING
Type noodverlichting (EL) EL-gecertificeerde driver (0Hz/DC-werking) voor centrale batterijwerking inbegrepen
CERTIFICATEN & NORMEN
Normen CE, CB, ENEC, UKCA, EAC, EPD
Gelimiteerde oppervlaktetemperatuur Ja
Balschot veilig Nee
EPD LEDV-00028-V01.01-EN
Vervangbare LED module Niet vervangbaar
AANVULLENDE PRODUCTGEGEVENS
Toegevoegde functie EVERLOOP, MULTI SELECT
PRODUCTBLAD MET BETREKKING TOT MILIEUKWALITEITEN EN -EIGENSCHAPPEN
Minimumpercentage gerecycled materiaal in verpakking 80 % 1)
Minimumpercentage gerecycled materiaal in het product 0 % 1)
Recyclebaarheid van het product Meestal recyclebaar product 1)
Recyclebaarheid van de verpakking Meestal recyclebare verpakking 1)
Lijst van gevaarlijke stoffen in het product in concentraties van meer dan 0,1% Nee
Bevat zeer zorgwekkende stoffen in concentraties van meer dan 0,1% Ja
Lijst van zeer zorgwekkende stoffen in concentraties van meer dan 0,1% in massapercentage Lead (7439-92-1)
1) Volgens AGEC-decreet 2022-748 (Franse antiafvalwetgeving voor een circulaire economie)
Productcode Verpakkingseenheid (stuks per verpakking) Afmetingen (lengte x breedte x hoogte) Brutogewicht Volume
4099854292378 Vouwdoos
1
72 mm x 336 mm x 336 mm 1565.00 g 8.13 dm³
4099854292385 Verzenddoos
6
448 mm x 353 mm x 358 mm 10053.00 g 56.62 dm³
Productafbeelding Productnaam Productmerk Productcomponenttype GTIN
LISOEV 330 R 19W 830 840 SF FLAT LEDVANCE LICHTBRON direct 4099854312212
DR DS SENS-P- 19/220-240/450 SF FL LEDVANCE driver direct 4099854292859
Gebruiksaanwijzing / veiligheidsinstructies
UI Surface Flat
Juridische informatie
LISO Insert SF FLAT
Juridische informatie
Legal Insert SF FLAT
Juridische informatie
Informationstext 18 Abs 4 ElektroG
Conformiteitsverklaringen
CE Declaration SF FLAT
Certificaten
ENEC SF FLAT
EPD
EPD EN SURFACE FLAT
Productafbeelding: witte achtergrond, diagonaal
SF FLAT RD 330 P
Productafbeelding: witte achtergrond, rechtop
SF FLAT C 330
Productlijntekening met letters
SF FLAT RD 330 19W CPS
Productlijntekening met cijfers
SF FLAT RD 330 19W CPS
Productlijntekening - technisch
SF FLAT RD 330 19W CPS
Beauty Shot
SF FLAT R 330
Combinatiefoto = Product Beauty Shot + Verpakkingsafbeelding
SF FLAT RD 330 P 19W CPS
Verpakkingsafbeelding, voorkant
SF FLAT RD 330 P 19W CPS
Verpakkingsafbeelding, ruimtelijk
SF FLAT RD 330 P 19W CPS
Catalogusinfo 1
Catalog info 1 SF FLAT
Catalogusinfo 2
Catalog info 2 SF FLAT
Catalogusinfo 3
Catalog info 3 SF FLAT
Catalogusinfo 4
Catalog info 4 SF FLAT
Catalogusinfo 5
Catalog info 5 SF FLAT
IES-bestand (IES)
SF FLAT RD 330 P 19W 3000K 2490lm
IES-bestand (IES)
SF FLAT RD 330 P 19W 4000K 2660lm
LDT-bestand (Eulumdat)
SF FLAT RD 330 P 19W 3000K 2490lm
LDT-bestand (Eulumdat)
SF FLAT RD 330 P 19W 4000K 2660lm
ULD-bestand (DIALux)
SF FLAT RD 330 P 19W CPS
ROLF-bestand (RELUX)
SF FLAT RD 330 P 19W CPS
UGR-bestand (UGR-tabel)
SF FLAT RD 330 P 19W 3000K 2490lm
UGR-bestand (UGR-tabel)
SF FLAT RD 330 P 19W 4000K 2660lm
Lichtverdelingscurve type kegel
SF FLAT RD 330 P 19W 3000K 2490lm
Lichtverdelingscurve type kegel
SF FLAT RD 330 P 19W 4000K 2660lm
Lichtverdelingscurve type polair
SF FLAT RD 330 P 19W 3000K 2490lm
Lichtverdelingscurve type polair
SF FLAT RD 330 P 19W 4000K 2660lm
BIM Revit 3D
Surface Flat
CAD STEP 3D
SF FLAT RD 330
Toepassingsafbeeldingen
Surface Flat Round Foyer lights on
Toepassingsafbeeldingen
Surface Flat Round Foyer lights off
Toepassingsafbeeldingen Getty
Surface Flat Round Hospital light on
Toepassingsafbeeldingen Getty
Surface Flat Round Hospital lights off
EAN SEG-nummer STK-nummer EFO-Nr. UK Org
4099854292378 7511148 941201000 3378119 437370633